Tek Katlı Prefabrik Ev 49 m²

  • Ürün Açıklaması
  • Fiyata Dahil Olanlar
  • Fiyata Dahil Olmayanlar
  • Standart Teknik Özellikler

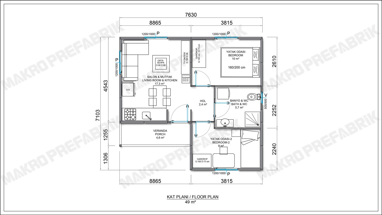
Prefabrik kelimesinin anlamı parçaları önceden hazırlanıp birleştirilerek kurma anlamına gelmektedir. 49 m2 olan bu modelimiz hobi bahçesi ile uğraşan veya ev sahibi olmak isteyen kullanıcılar tarafından çokça tercih edilmektedir. 5 m2 veranda, 10 m2 yatak odası, 10 m2 bir çocuk yatak odası, 5 m2 banyo, 2 m2 antre, 17 m2 salon ve mutfaktan oluşan toplam 49 m2 olan bu prefabrik ev modelimiz 2+1 olacak şekilde dizayn edilmiştir. 

Her mevsim ve dış çevre koşullarına mukavemet gösterebilen malzemelerden üretilen tek katlı prefabrik evleri düz bir beton zemin üzerine gerekli tuvalet ve lavabo giderleri açıldıktan sonra konumlandırılır. Çatı malzemesi hafif bir eğim ile yağmur suyunu kaydırabilen galvaniz sacdan üretilir, opsiyonel olarak da shingle veya metal kiremit de kullanılabilir. 6-10 santimetre olan duvar kalınlıklarıyla oldukça güvenilirdir. 

prefabrik ev fiyatları üretimi sırasında doğal afetlerde göz önüne alınır. Kullanılan kaliteli malzemeler çok yaşanan doğal afetlere karşı dayanıklı hale gelmesini sağlar. Işıklandırması ev ile uyumlu olması için beş bölgede penceresi bulunan bu prefabrik evin sıhhi ve elektrik tesisat kurulumu temiz bir görünüm için sıva altı olarak kurulmuştur. Çocuklarınızla birlikte konforlu anılar biriktirmeniz için dizayn edilmiştir.

Tiny House kültürünün Türkiye’deki yansımasına uygun olarak dizayn edilen tek katlı prefabrik evler de küçük bir alanda büyük hayallerinizi gerçekleştirebilirsiniz. 

  • Kurulum: Müşterinin talebine bağlı olarak montaj ekibi sağlanabilir. Montaj maliyeti projeye göre değişiklik göstermektedir.
  • Tüm bina elemanları ( Duvar panelleri ve birleşim elemanları ) montajı
  • Dış kapı ( Çelik Kapı ) 
  • İç kapı (Amerikan panel)
  • KOMPEN marka PVC pencereler
  • Tüm pencerelerin ısıcam dahil takılması
  • Bina içi elektrik tesısatı malzeme ve uygulamaları (prizler , anahtarlar , sigortalar , aydınlatma
    armatürleri )
  • Projede varsa vitrifiye malzemesinin temin edilmesi (klozet, lavabo, muslukları ) montajı hariç
  • Sıhhı tesisatı malzeme ve uygulamaları ( pis su , temiz su borulama işlemi )
  • Tüm tavan kaplaması, tavan yalıtımı, çatı kaplaması
  • İç & dış tavan, metal aksam boya ve astarlama ve silikonlama işlemi
  • Malzemelerin alıcı tarafından gönderilen araçlara yüklenmesi, satıcıya aittir
  • Zemin betonu ve her türlü hafriyat işleri
  • Zemin ve duvar kaplama işleri ( şap,seramik,fayans,halı,vs )
  • Binanın kurulması için gerekli izinler
  • Nakliye,nakliye sigortası ve gerekli ise vinç,iskele temini
  • Bina harici dış bağlantılar (Elektrik,topraklama hattı pis su ve temiz su vs. )
  • Isıtma ve soğutma tesisatları ( kalorifer,klima vs. )
  • Mutfak tezgahı - alt üst dolapları ve banyo dolapları
  • Telefon,tv,bilgisayar,UPS,data tesisat ve armatürleri
  • Montaj esnasında kullanılacak elektrik temini
  • İstanbul dışı montajlarda ekibin konaklama ve yemek bedeli
  • Malzemenin montaj yerinde hırsızlara karşı korunması
  • Duş teknesi
  • Duvar Kalınlıkları Dış: 100 mm / İÇ : 60 mm H=2.50mt.
  • Çatı Kaplaması: Boyalı Galveniz Trapez: 
  • Kapılar / Pencereler Dış Kapı: Çelik / İç Kapı:Amerikan/PVC ( Beyaz )
  • İç Dış Boya: PERMOLİT Marka Boya
  • Elektrik Armatürleri: VİKO Marka Kardelen Serisi
  • Vitrifiye Armatürleri: AYVİT Seramik
Teknik Özellikler
  • Bina Yüksekliği 250 cm
  • Dış Duvarlar 10 cm
  • İç Duvar 6 cm - 10 cm (Opsiyonel )
  • Dış Kapı Çelik Kapı
  • İç Kapı Amerikan Kapı
  • Balkon Kapısı Beyaz Renk PVC Kapı
  • Pencereler Beyaz Renk PVC Pencere
  • Çatı Kaplaması Boyalı Galvaniz Sac, Metal Kiremit(Opsiyonel), Shingle (Opsiyonel )
  • Elektrik Tesisatı Sıva Altı
  • Sıhhi Tesisat Sıva Altı
  • Dış Cephe Boyası Silikonlu Dış Cephe Boyası
  • İç Cephe Boyası Plastik İç Cephe Boyası
Bugün sizi arayalım!
Daha verimli çalışmalar yapabilmemiz için; Yapmayı düşündüğünüz projeleriniz varsa lütfen detaylarıyla birlikte aşağıdaki formdan veya info@makroprefabrik.com adresinden bize gönderin.
Makro
İletişim Formu
Bilgileriniz girin
Tek Katlı Prefabrik Ev 49 m²